| 动态特性 | 单位 | 规格 |
| 量程 | g pk | 200 |
| 灵敏度(@100Hz,5g,24℃) | mv/g | 20~26 |
| 谐振频率 | ||
| 典型值 | KHz | 15 |
| 振幅特性曲线 | ||
| ±3dB | Hz | 0.35~6000 |
| 温度响应 | ||
| -50℃ | % | -5 |
| +120℃ | % | +5 |
| 振幅非线性 | ≤1% | |
| 分辨率 | g | <0.01 |
| 输出特性 | 单位 | 规格 |
| 输出端极性 | 请见下图 | |
| BOV(偏压)值 | ||
| 典型值(室温24℃) | Vdc | +10~+14 |
| -40℃相对室温环境变化量 | <5% | |
| +65℃相对室温环境变化量 | <5% | |
| 输出连接方式 | 请见下图 | |
| 输出电阻 | ||
| 室温下24℃测试 | Ω | <100 |
| 满量程输出电压 | ||
| 典型值 | V | ±5 |
| 接地状况 | 信号地与外壳绝缘 |
| 电源要求 | 单位 | 规格 |
| 电压 | Vdc | 18~30 |
| 电流 | mA | 2~10 |
| 环境特性 | 单位 | 规格 |
| 温度范围 | ℃ | -50~125 |
| 湿度 | 密封 | |
| 冲击极限 | g pk | 5000 |
| 正弦振动极限 | g pk | 500 |
| 物理特性 | 单位 | 规格 |
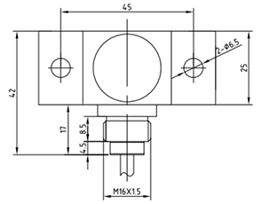
| 外形尺寸 | 请见下图 | |
| 重量 | 克 | 160±5(不含线缆) |
| 外壳材质 | 不锈钢 | |
| 连接方式 | 甩线 | |
| 安装方式 | 两个螺栓固定,螺栓孔Φ6.5 |
| 证书 | 单位 | 规格 |
| 灵敏度 | mV/g | 20~26 |
| 频率响应曲线 | Hz | 20~6000(±3db) |
| 连接示意图 |
![]() |
| 轮廓尺寸图 |
![]() |

