| 动态特性 | 单位 | 规格 |
| 灵敏度(@160Hz,10g,24℃) | ||
| 典型值 | mv/g | 100 |
| 最小值 | mv/g | 90 |
| 最大值 | mv/g | 110 |
| 量程 | g | ±50 |
| 频率响应 | Hz | (±10%)1~9000 |
| 谐振频率 | KHz | ≥25 |
| 振幅特性曲线 | ||
| Hz | (±10%)1~9000 | |
| 最低温度响应 | -20% | |
| 最高温度响应 | +10% | |
| 横向灵敏度 | ≤5% | |
| 振幅非线性 | % | ≤1 |
| 电气特性 | 单位 | 规格 |
| 激励电压 | Vdc | +20~+30 |
| 恒流源激励 | mA | 2~10 |
| 输出阻抗 | Ω | ≤200 |
| BOV(偏压)值 | ||
| BOV(偏压)值(24℃) | Vdc | +10~+14 |
| 全温度范围 | Vdc | +8~+16 |
| 输出端极性 | 一芯航插连接头PIN针为正极,螺纹外壳接地 | |
| 接地状况 | 信号地与内壳相通,与外壳绝缘 | |
| 环境特性 | 单位 | 规格 |
| 温度范围 | °C | -55~﹢110 |
| 湿度 | 焊接封装 | |
| 冲击极限 | gpk | 2000 |
| 物理特性 | 单位 | 规格 |
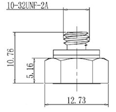
| 外形尺寸 | 见轮廓尺寸图 | |
| 重量 | 克 | ≤3.5 |
| 外壳材质 | 304L壳体,底座用AL6061-T6硬阳极氧化 | |
| 连接头 | 10-32 UNF-2A | |
| 安装方式 | 胶粘安装 | |
| 附件 | 数量 | 规格 |
| 电缆组件 | 1 | CBL004-XX (一芯航插+线缆+BNC公头) |
| 电缆组件 | 1 | CBL004B-XX (一芯航插+线缆+BNC母头) |
| 电缆组件 | 1 | CBL118-XX(一芯航插+线缆) |
| 电缆组件 | 1 | CBL118A-XX(一芯航插+线缆+BNC公头) |
| 电缆组件 | 1 | CBL118B-XX(一芯航插+线缆+BNC公头)(带注塑) |
| 证书 | 单位 | 规格 |
| 灵敏度 | mV/g | 100±10 |
| 频率响应 | Hz | 20~9000,(±10%) |
| 轮廓尺寸图 |
![]() |
